Thay đổi ngôn ngữ :

-

-
Giải pháp bàn xoay XY tiết kiệm chi phí cho việc điều chỉnh thủ công

-
Đối với bộ truyền động trục vít me có động cơ của đơn vị tuyến tính, igus cung cấp động cơ bước trục vít me mạnh mẽ. Các động cơ có sẵn ở ba kích cỡ: NEMA11, NEMA17 và NEMA23. Sự kết hợp với trục vít me dryspin đảm bảo định tâm chính xác và tuổi thọ dài cho toàn bộ mô-đun tuyến tính.

-

-
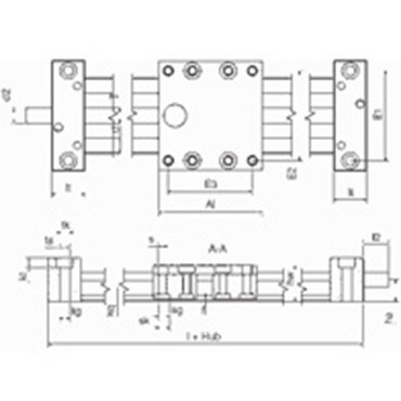
Các ray trượt tuyến tính igus SLW với trục vít me được dựa trên hệ thống mô-đun tuyến tính drylin W và trên các loại polymer hiệu suất cao dry-tech tự bôi trơn và không cần bảo dưỡng. Chất bôi trơn được kết hợp vào vật liệu bạc lót, giúp các trục tuyến tính và mô-đun tuyến tính phù hợp để vận hành liên tục trong điều kiện khô ráo và không cần bảo dưỡng trong suốt thời gian sử dụng. Hãy tự mình xem, yêu cầu chúng tôi cung cấp mẫu miễn phí.

Thời gian làm việc:
Thứ Hai đến Thứ Sáu từ 8:30 đến 17:30
Online:
Thứ Hai đến Thứ Sáu từ 8:30 sáng đến 17:30