Vui lòng chọn địa điểm giao hàng của quý khách

Việc chọn trang quốc gia/khu vực có thể ảnh hưởng đến các yếu tố như giá, các lựa chọn vận chuyển và sự sẵn có của sản phẩm.
Liên hệ
CÔNG TY TNHH IGUS VIỆT NAM

Đơn Vị 4 , Tầng 3, Xưởng Tiêu Chuẩn G, Đường Số 17, KCX Tân Thuận, Phường Tân Thuận

Tp. Hồ Chí Minh, Việt Nam

+84 28 3636 4189
VN(VI)

Xích dùng trong văn phòng OCO - Nghiên cứu thiết kế

Thiết kế "dễ dàng" làm đầy

Xích dẫn cáp văn phòng OCO.20 là một hệ thống nguồn cấp đơn giản cho văn phòng. Nó không có bán kính xác định và có thể được chuyển động theo hai hướng. Nó có thể được rút ngắn hoặc kéo dài rất dễ dàng. Giá đỡ trông rất giống với các liên kết xích và khác nhau trong các nam châm tích hợp mà OCO có thể dễ dàng gắn vào kim loại. Cũng có thể kết nối vít để lắp bàn với hai lỗ nhỏ.
Gửi yêu cầu ngay bây giờ

Cải tiến công nghệ

Cải tiến công nghệ

  • Tối ưu thiết kế
  • Lắp linh động
  • Dễ nối dài và rút ngắn
  • Gắn giá đỡ đính kèm nam châm
    dễ dàng
  • Lực giữ của e-chain® lên tới 150N
Giảm thiểu chi phí

Giảm thiểu chi phí

  • Tiết kiệm thời gian và chi phí lắp đặt với công cụ thiết kế "dễ dàng"
  • Đặt hàng theo chiều dài yêu cầu
  • Hiệu quả chi phí mua hàng
Bằng chứng

Bằng chứng

  • Thử nghiệm độ kéo bền OCO.20 của lực giữ e-chain®: Các nguyên mẫu được in 3D đã trải qua thử nghiệm độ kéo bền với 420 N
Bền vững

Bền vững

  • Không chứa bisphenol A (không chứa BPA)
  • 100% không halogen, đặc biệt thích hợp để sử dụng trong các tòa nhà công cộng
  • Tái chế xích dẫn cáp đã bị hư hỏng của bạn trong chương trình tái chế chainge
    của igus. Không phân biệt nhà sản xuất. Bạn  có thể nhận voucher chương trình tái chế chainge
  • igus® hỗ trợ vòng kinh tế tuần hoàn cho nhựa và đang đầu tư vào tái chế hóa học

Tham khảo xích dùng trong văn phòng OCO.20


Các bước đơn giản:

Mở cáp theo nguyên tắc dễ dàng không phải ở giữa mà ở một bên. Bằng cách cài đặt các liên kết xích luân phiên, các khe được đặt so le để đảm bảo rằng các dây cáp có thể dễ dàng chèn vào nhưng đồng thời không thể rơi ra.
Tham khảo xích dùng trong văn phòng OCO.20

 
Nam châm tích hợp để dễ dàng gắn vào bàn kim loại
Tham khảo xích dùng trong văn phòng OCO.20

 
Kết nối vít cũng có thể là một tùy chọn

Thông số kỹ thuật

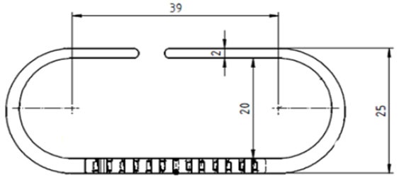
Thông số kỹ thuật - Xích dùng trong văn phòng OCO.20


Mã sản phẩmChiều cao lọt lòngChiều cao ngoàiChiều rộng lọt lòngChiều rộng ngoài
OCO.2020 mm25 mm39 mm64 mm

Có theo yêu cầu
 
Gửi yêu cầu ngay bây giờ

Sản phẩm tương tự

Xích dùng trong văn phòng OCR

Xích dùng trong văn phòng OCR

Kẹp nối nam châm cho kết nối trung gian miễn phí và dễ dàng cắt trên xích
Xích dùng trong văn phòng ZF14

Xích dùng trong văn phòng ZF14

Cáp được lắp nhanh chóng. Đính kèm e-chain và được chứng nhận UL94-V2
triflex R

Xích dẫn cáp triflex R 3 trục

Thiết kế đơn giản và dễ dàng lắp đặt Độ xoắn khoảng +/-10° trên mỗi liên kết xích

Xem thêm thông tin

Bản tin năm 2020

Tổng quan xích dẫn cáp e-chain 2020

Khám phá ứng dụng khác của e-chain mới 2020
Danh mục sản phẩm mới 2020

Danh mục hàng mới 2020

Tất cả thông tin bạn cần về sản phẩm mới và các sản phẩm liên quan khác của chúng tôi đều có sẵn trong danh mục miễn phí.
Xích dẫn cáp

Xích dẫn cáp

Không gian lắp đặt và môi trường rất khác nhau.  Lựa chọn nhiều sản phẩm - tìm giải pháp phù hợp cùng một lúc. Đảm bảo 36 tháng vận hành.


Các thuật ngữ "Apiro", "AutoChain", "CFRIP", "chainflex", "chainge", "chains for cranes", "ConProtect", "cradle-chain", "CTD", "drygear", "drylin", "dryspin", "dry-tech", "dryway", "easy chain", "e-chain", "e-chain systems", "e-ketten", "e-kettensysteme", "e-loop", "energy chain", "energy chain systems", "enjoyneering", "e-skin", "e-spool", "fixflex", "flizz", "i.Cee", "ibow", "igear", "iglidur", "igubal", "igumid", "igus", "igus improves what moves", "igus:bike", "igusGO", "igutex", "iguverse", "iguversum", "kineKIT", "kopla", "manus", "motion plastics", "motion polymers", "motionary", "plastics for longer life", "print2mold", "Rawbot", "RBTX", "readycable", "readychain", "ReBeL", "ReCyycle", "reguse", "robolink", "Rohbot", "savfe", "speedigus", "superwise", "take the dryway", "tribofilament", "tribotape", "triflex", "twisterchain", "when it moves, igus improves", "xirodur", "xiros" and "yes" là nhãn hiệu được bảo hộ hợp pháp của igus® SE & Co. KG tại Cộng hoà Liên bang Đức và ở một số quốc gia khác. Đây là danh sách không đầy đủ các nhãn hiệu (ví dụ: đơn đăng ký nhãn hiệu đang chờ xử lý hoặc nhãn hiệu đã đăng ký) của igus® SE & Co. KG hoặc các công ty liên kết của igus® ở Đức, Liên minh Châu Âu, Hoa Kỳ và/hoặc các quốc gia hoặc khu vực pháp lý khác.

igus® SE & Co. KG xin nhấn mạnh rằng mình không bán bất cứ sản phẩm nào của các công ty Allen Bradley, B&R, Baumüller, Beckhoff, Lahr, Control Techniques, Danaher Motion, ELAU, FAGOR, FANUC, Festo, Heidenhain, Jetter, Lenze, LinMot, LTi DRiVES, Mitsubishi, NUM, Parker, Bosch Rexroth, SEW, Siemens, Stöber và mọi nhà chế tạo về chuyển động khác nêu trong trang web này. Các sản phẩm do igus® cung cấp là sản phẩm của igus® SE & Co. KG

CÔNG TY TNHH IGUS VIỆT NAM

Đơn Vị 4 , Tầng 3, Xưởng Tiêu Chuẩn G, Đường Số 17, KCX Tân Thuận, Phường Tân Thuận, Tp. Hồ Chí Minh, Việt Nam

Số điện thoại: +84 28 3636 4189

Giấy chứng nhận đăng ký doanh nghiệp số: 0314214531

Ngày đăng ký lần đầu: 20-01-2017

Nơi cấp: SỞ KẾ HOẠCH VÀ ÐẦU TƯ THÀNH PHỐ HỒ CHÍ MINH

IGUS VIETNAM COMPANY LIMITED

Unit 4, 3rd Floor, Standard Factory G, Street No. 17, Tan Thuan Export Processing Zone, Tan Thuan Ward, Ho Chi Minh City, Vietnam

Phone: +84 28 3636 4189

Tax code: 0314214531

Date of issuance: January 20, 2017

Place of issuance: DEPARTMENT OF PLANNING AND INVESTMENT OF HO CHI MINH CITY