Vui lòng chọn địa điểm giao hàng của quý khách

Việc chọn trang quốc gia/khu vực có thể ảnh hưởng đến các yếu tố như giá, các lựa chọn vận chuyển và sự sẵn có của sản phẩm.
Liên hệ
CÔNG TY TNHH IGUS VIỆT NAM

Đơn Vị 4 , Tầng 3, Xưởng Tiêu Chuẩn G, Đường Số 17, KCX Tân Thuận, Phường Tân Thuận

Tp. Hồ Chí Minh, Việt Nam

+84 28 3636 4189
VN(VI)

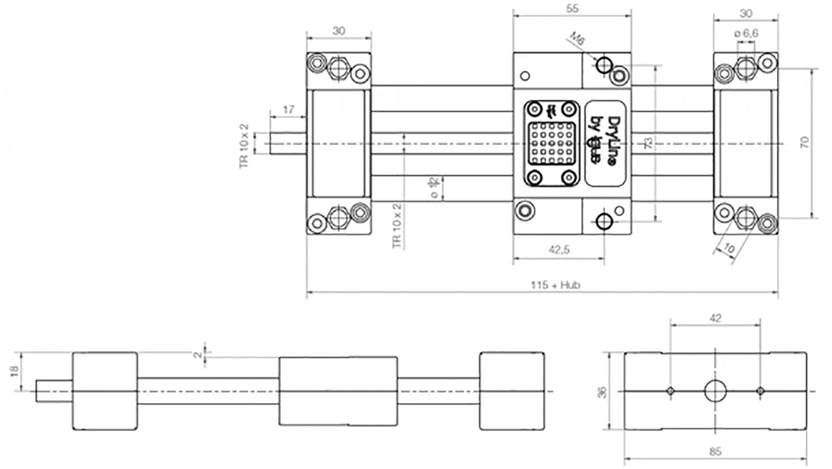
SHTP-FF lift table with quick release

SHTP lift tables with quick-release mechanism offer a combination of precise positioning and rapid adjustment by hand.

lighter solid polymer model

For fast format adjustments

Brake by interlocking included

Freely selectable stroke lengths

Recommended only for horizontal applications

Max. stat. axial load 200 N

Max. dyn. axial load 50 N

SHTP-FF

Fitting for this articles:


Part. No. A Al H E1 E2 E3 l R f lt tk ts kt
  -0,3 -0,3   ±0,15 ±0,15 ±0,15 [mm] [mm] [mm] ±0,1 ±0,1    
Xuất hàng trong vòng 10 - 14 ngày làm việc SHTP-01-12-AWM-FF (1) 85 55 36 70 73 42,5 115 42 2 30 10 6,6 0
Thêm về phần đã lựa chọn:
3D CAD 3D CAD
Yêu cầu hàng mẫu miễn phí Yêu cầu hàng mẫu miễn phí
PDF PDF
Yêu cầu báo giá Yêu cầu báo giá
myCatalog myCatalog

(1) Liners and trapezoidal leadscrew nut made of iglidur® J

Part. No. sg d T l2 d2* ha Max.
stroke length
Weight Weight additional

   
          standard   [mm] [kg] per 100 mm    
Xuất hàng trong vòng 10 - 14 ngày làm việc SHTP-01-12-AWM-FF (1) M6 12 17 TR10x2 18 500 0,35 0,11 Theo yêu cầu Thêm vào giỏ hàng
Thêm về phần đã lựa chọn:
3D CAD 3D CAD
Yêu cầu hàng mẫu miễn phí Yêu cầu hàng mẫu miễn phí
PDF PDF
Yêu cầu báo giá Yêu cầu báo giá
myCatalog myCatalog

(1) Liners and trapezoidal leadscrew nut made of iglidur® J

More information:


Fitting for this articles:

Xuất hàng trong vòng 24 giờ drylin® E - tổng quan sản phẩm

Sự phát triển liên tục của hộp công cụ và khái niệm hệ thống về công nghệ dẫn động drylin® không cần bôi trơn.

Xuất hàng trong vòng 24 giờ
Xuất hàng trong vòng 10 - 14 ngày làm việc

Các thuật ngữ "Apiro", "AutoChain", "CFRIP", "chainflex", "chainge", "chains for cranes", "ConProtect", "cradle-chain", "CTD", "drygear", "drylin", "dryspin", "dry-tech", "dryway", "easy chain", "e-chain", "e-chain systems", "e-ketten", "e-kettensysteme", "e-loop", "energy chain", "energy chain systems", "enjoyneering", "e-skin", "e-spool", "fixflex", "flizz", "i.Cee", "ibow", "igear", "iglidur", "igubal", "igumid", "igus", "igus improves what moves", "igus:bike", "igusGO", "igutex", "iguverse", "iguversum", "kineKIT", "kopla", "manus", "motion plastics", "motion polymers", "motionary", "plastics for longer life", "print2mold", "Rawbot", "RBTX", "readycable", "readychain", "ReBeL", "ReCyycle", "reguse", "robolink", "Rohbot", "savfe", "speedigus", "superwise", "take the dryway", "tribofilament", "tribotape", "triflex", "twisterchain", "when it moves, igus improves", "xirodur", "xiros" and "yes" là nhãn hiệu được bảo hộ hợp pháp của igus® SE & Co. KG tại Cộng hoà Liên bang Đức và ở một số quốc gia khác. Đây là danh sách không đầy đủ các nhãn hiệu (ví dụ: đơn đăng ký nhãn hiệu đang chờ xử lý hoặc nhãn hiệu đã đăng ký) của igus® SE & Co. KG hoặc các công ty liên kết của igus® ở Đức, Liên minh Châu Âu, Hoa Kỳ và/hoặc các quốc gia hoặc khu vực pháp lý khác.

igus® SE & Co. KG xin nhấn mạnh rằng mình không bán bất cứ sản phẩm nào của các công ty Allen Bradley, B&R, Baumüller, Beckhoff, Lahr, Control Techniques, Danaher Motion, ELAU, FAGOR, FANUC, Festo, Heidenhain, Jetter, Lenze, LinMot, LTi DRiVES, Mitsubishi, NUM, Parker, Bosch Rexroth, SEW, Siemens, Stöber và mọi nhà chế tạo về chuyển động khác nêu trong trang web này. Các sản phẩm do igus® cung cấp là sản phẩm của igus® SE & Co. KG

CÔNG TY TNHH IGUS VIỆT NAM

Đơn Vị 4 , Tầng 3, Xưởng Tiêu Chuẩn G, Đường Số 17, KCX Tân Thuận, Phường Tân Thuận, Tp. Hồ Chí Minh, Việt Nam

Số điện thoại: +84 28 3636 4189

Giấy chứng nhận đăng ký doanh nghiệp số: 0314214531

Ngày đăng ký lần đầu: 20-01-2017

Nơi cấp: SỞ KẾ HOẠCH VÀ ÐẦU TƯ THÀNH PHỐ HỒ CHÍ MINH

IGUS VIETNAM COMPANY LIMITED

Unit 4, 3rd Floor, Standard Factory G, Street No. 17, Tan Thuan Export Processing Zone, Tan Thuan Ward, Ho Chi Minh City, Vietnam

Phone: +84 28 3636 4189

Tax code: 0314214531

Date of issuance: January 20, 2017

Place of issuance: DEPARTMENT OF PLANNING AND INVESTMENT OF HO CHI MINH CITY