Vui lòng chọn địa điểm giao hàng của quý khách

Việc chọn trang quốc gia/khu vực có thể ảnh hưởng đến các yếu tố như giá, các lựa chọn vận chuyển và sự sẵn có của sản phẩm.
Liên hệ
CÔNG TY TNHH IGUS VIỆT NAM

Đơn Vị 4 , Tầng 3, Xưởng Tiêu Chuẩn G, Đường Số 17, KCX Tân Thuận, Phường Tân Thuận

Tp. Hồ Chí Minh, Việt Nam

+84 28 3636 4189
VN(VI)

Special properties cross slide

High precision, extreme stiffening and precise alignment through CNC production

Available as standard and preload version

100% lubricant-free and completely corrosion-free

Adjustments by trapezoidal thread TR 10x2

Mounting of upper unit with right or left alignment possible

Available accessories (hand wheel, cursor ...)

Cross slide

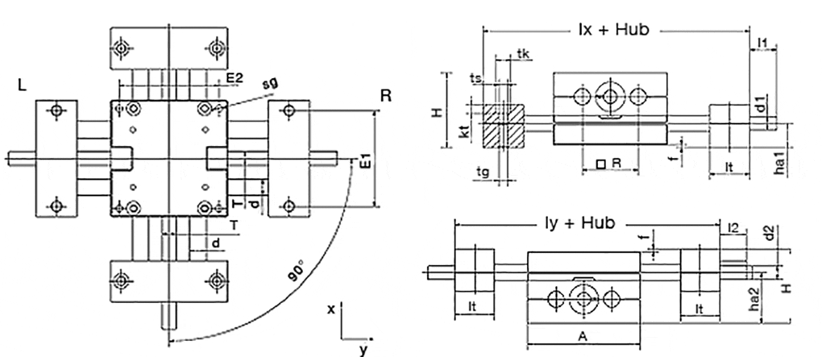
SHT-XY - XY table installation sizes

drylin SHT-XY-08-AWM XY table

SHT-XY-08-AWM

  • Max. stroke length: 150mm
  • Carriage length: 65mm
  • Shaft material: aluminium
  • Shaft diameter: 8mm
drylin SHT-XY-12-AWM XY table

SHT-XY-12-AWM

  • Max. stroke length: 350mm
  • Carriage length: 85mm
  • Shaft material: aluminium
  • Shaft diameter: 12mm

With spring pre-load - PL versions

drylin SHT-XY-12-AWM-PL XY table

SHT-XY-12-AWM-PL

  • Max. stroke length: 350mm
  • Carriage length: 85mm
  • Shaft material: aluminium
  • Shaft diameter: 12mm
  • With pre-load
drylin SHT-XY-20-EWM-PL XY table

SHT-XY-20-EWM-PL

  • Max. stroke length: 500mm
  • Carriage length: 130mm
  • Shaft material: stainless steel
  • Shaft diameter: 20mm
  • With pre-load

SHT/SHT-PL - cross slide


Cross slide lengths and weights [mm]

Order no. A
-0.3
[mm]
H
 
[mm]
E1
±0,15
[mm]
E2
±0,15
[mm]
Base-
length lx
[mm]
Base-
length ly
[mm]
R
 
[mm]
f
 
[mm]
lt
±0,1
[mm]
tk
 
[mm]
ts
 
[mm]
tg
 
kt
 
[mm]
SHT-XY-12 85 56 70 73 145 145 42 2 30 11 6,6 M8 6,4
SHT-XY-08 65 42 52 56 96 96 32 1,5 15,5 10 5,5 M6 7
SHT-XY-12-PL 85 56 70 73 145 145 42 2 30 11 6,6 M8 6,4
SHT-XY-20-EWM-PL 130 86 108 115 202 202 72 2 36 15 9 M10 8,6
Thêm về phần đã lựa chọn:
3D CAD 3D CAD
Yêu cầu hàng mẫu miễn phí Yêu cầu hàng mẫu miễn phí
PDF PDF
Yêu cầu báo giá Yêu cầu báo giá
myCatalog myCatalog

Cross slide dimensions [mm]

Order no. sg


d

[mm]
T

l1

[mm]
d1
Standard
d1
Alternativ
l2

[mm]
d2
Standard
d2
Alternativ
ha1

[mm]
ha2

[mm]
W
ha2-ha1
[mm]
SHT-XY-12 M6 12 17 TR10x2 6h9 17 6h9 18 38 20
SHT-XY-08 M5 8 TR6x2/TR6,35x2,54 15,5 TR6x2/TR6,35x2,54 5 15 5 13 29 16
SHT-XY-12-PL M6 12 17 TR10x2 6h9 17 6h9 18 38 20
SHT-XY-20-EWM-PL M8 20 26 TR18x4 - 26 12h9 23 63 40
Thêm về phần đã lựa chọn:
3D CAD 3D CAD
Yêu cầu hàng mẫu miễn phí Yêu cầu hàng mẫu miễn phí
PDF PDF
Yêu cầu báo giá Yêu cầu báo giá
myCatalog myCatalog
You can order the hand wheel of the y-axis to be mounted left or right.
Left: SHT-XY-12-AWM-L-200-300 for 200 mm stroke lengths in x-direction and 300 mm in y-direction.
Right: SHT-XY-12-AWM-R-200-300 for 200 mm stroke lenghts in x-direction und 300 mm in y-direction

Technical options for the SHT series

The following options can be delivered for the SHT-XY product range.


More information and cross slide accessories



Thời gian giao hàng khi yêu cầu

Các thuật ngữ "Apiro", "AutoChain", "CFRIP", "chainflex", "chainge", "chains for cranes", "ConProtect", "cradle-chain", "CTD", "drygear", "drylin", "dryspin", "dry-tech", "dryway", "easy chain", "e-chain", "e-chain systems", "e-ketten", "e-kettensysteme", "e-loop", "energy chain", "energy chain systems", "enjoyneering", "e-skin", "e-spool", "fixflex", "flizz", "i.Cee", "ibow", "igear", "iglidur", "igubal", "igumid", "igus", "igus improves what moves", "igus:bike", "igusGO", "igutex", "iguverse", "iguversum", "kineKIT", "kopla", "manus", "motion plastics", "motion polymers", "motionary", "plastics for longer life", "print2mold", "Rawbot", "RBTX", "readycable", "readychain", "ReBeL", "ReCyycle", "reguse", "robolink", "Rohbot", "savfe", "speedigus", "superwise", "take the dryway", "tribofilament", "tribotape", "triflex", "twisterchain", "when it moves, igus improves", "xirodur", "xiros" and "yes" là nhãn hiệu được bảo hộ hợp pháp của igus® SE & Co. KG tại Cộng hoà Liên bang Đức và ở một số quốc gia khác. Đây là danh sách không đầy đủ các nhãn hiệu (ví dụ: đơn đăng ký nhãn hiệu đang chờ xử lý hoặc nhãn hiệu đã đăng ký) của igus® SE & Co. KG hoặc các công ty liên kết của igus® ở Đức, Liên minh Châu Âu, Hoa Kỳ và/hoặc các quốc gia hoặc khu vực pháp lý khác.

igus® SE & Co. KG xin nhấn mạnh rằng mình không bán bất cứ sản phẩm nào của các công ty Allen Bradley, B&R, Baumüller, Beckhoff, Lahr, Control Techniques, Danaher Motion, ELAU, FAGOR, FANUC, Festo, Heidenhain, Jetter, Lenze, LinMot, LTi DRiVES, Mitsubishi, NUM, Parker, Bosch Rexroth, SEW, Siemens, Stöber và mọi nhà chế tạo về chuyển động khác nêu trong trang web này. Các sản phẩm do igus® cung cấp là sản phẩm của igus® SE & Co. KG

CÔNG TY TNHH IGUS VIỆT NAM

Đơn Vị 4 , Tầng 3, Xưởng Tiêu Chuẩn G, Đường Số 17, KCX Tân Thuận, Phường Tân Thuận, Tp. Hồ Chí Minh, Việt Nam

Số điện thoại: +84 28 3636 4189

Giấy chứng nhận đăng ký doanh nghiệp số: 0314214531

Ngày đăng ký lần đầu: 20-01-2017

Nơi cấp: SỞ KẾ HOẠCH VÀ ÐẦU TƯ THÀNH PHỐ HỒ CHÍ MINH

IGUS VIETNAM COMPANY LIMITED

Unit 4, 3rd Floor, Standard Factory G, Street No. 17, Tan Thuan Export Processing Zone, Tan Thuan Ward, Ho Chi Minh City, Vietnam

Phone: +84 28 3636 4189

Tax code: 0314214531

Date of issuance: January 20, 2017

Place of issuance: DEPARTMENT OF PLANNING AND INVESTMENT OF HO CHI MINH CITY