Vui lòng chọn địa điểm giao hàng của quý khách

Việc chọn trang quốc gia/khu vực có thể ảnh hưởng đến các yếu tố như giá, các lựa chọn vận chuyển và sự sẵn có của sản phẩm.
Liên hệ
CÔNG TY TNHH IGUS VIỆT NAM

Đơn Vị 4 , Tầng 3, Xưởng Tiêu Chuẩn G, Đường Số 17, KCX Tân Thuận, Phường Tân Thuận

Tp. Hồ Chí Minh, Việt Nam

+84 28 3636 4189
VN(VI)

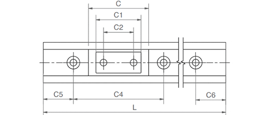
drylin® N - Low profile linear guide system NK-02-40

Version 02 with threaded hole:

Order no. Max. rail lengths a C4 A3 C5=C6 h h1 K1* ly lz Weight of rail Price / m  
  [L max.]       Min. max.       [mm2] [mm2] [g/m]    
Xuất hàng trong vòng 24 giờ NS-01-40 3000 40 60 0 20 20/49,5 8,7 1,3 M4 26400 970 450 1.253.808 VND Thêm vào giỏ hàng
Xuất hàng trong vòng 10 - 14 ngày làm việc NS-01-40-UNGEBOHRT 3000 40 0 0 0 8,7 1,3 26400 970 450 1.122.317 VND Thêm vào giỏ hàng
Xuất hàng trong vòng 10 - 14 ngày làm việc NS-01-40-AR 3000 40 60 0 20 20/49,5 8,7 1,3 M4 26400 970 450 1.441.899 VND Thêm vào giỏ hàng
Thêm về phần đã lựa chọn:
3D CAD 3D CAD
Yêu cầu hàng mẫu miễn phí Yêu cầu hàng mẫu miễn phí
PDF PDF
Yêu cầu báo giá Yêu cầu báo giá
myCatalog myCatalog

For unbored rails please indicate "Unbored" in the remark.
* for cylinder screw with low head

Version 02 with threaded hole:

Order no. Designation Weight of carriage    
    [g]    
Xuất hàng trong vòng 10 - 14 ngày làm việc NW-02-40 Carriage clipped on, fixed bearing 30 257.643 VND Thêm vào giỏ hàng
Xuất hàng trong vòng 10 - 14 ngày làm việc NW-02-40-LLY Carriage clipped on, floating bearing y-direction 30 257.384 VND Thêm vào giỏ hàng
Xuất hàng trong vòng 10 - 14 ngày làm việc NW-02-40-LLZ Carriage clipped on, floating bearing z-direction 30 257.384 VND Thêm vào giỏ hàng
Xuất hàng trong vòng 10 - 14 ngày làm việc NW-02-40-LLYZ Carriage clipped on, floating bearing y and z-direction 30 257.384 VND Thêm vào giỏ hàng
Thêm về phần đã lựa chọn:
3D CAD 3D CAD
Yêu cầu hàng mẫu miễn phí Yêu cầu hàng mẫu miễn phí
PDF PDF
Yêu cầu báo giá Yêu cầu báo giá
myCatalog myCatalog

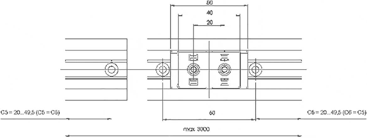
Version 02: Dimensions [mm] - guide carriages

Part. No. H A C C1 C2 A2 H2 K2 K3 K4 Spmin. DpØmin. Weight
  ±0,35                       [g/m]
Xuất hàng trong vòng 10 - 14 ngày làm việc NW-02-40 9,5 23 50 40 20 0 0 M4 5 6,5 30
Xuất hàng trong vòng 10 - 14 ngày làm việc NW-02-40-LLY 9,5 23 50 40 20 0 0 M4 5 6,5 30
Xuất hàng trong vòng 10 - 14 ngày làm việc NW-02-40-LLZ 9,5 23 50 40 20 0 0 M4 5 6,5 30
Xuất hàng trong vòng 10 - 14 ngày làm việc NW-02-40-LLYZ 9,5 23 50 40 20 0 0 M4 5 6,5 30
Thêm về phần đã lựa chọn:
3D CAD 3D CAD
Yêu cầu hàng mẫu miễn phí Yêu cầu hàng mẫu miễn phí
PDF PDF
Yêu cầu báo giá Yêu cầu báo giá
myCatalog myCatalog

Version 12 with threaded hole:

Order no. Designation Weight of carriage    
    [g]    
Xuất hàng trong vòng 24 giờ NW-12-40 Moulded carriage 30 257.643 VND Thêm vào giỏ hàng
Thời gian giao hàng khi yêu cầu NW-12-40-LLY Moulded carriage, floating bearing y-direction 30 257.384 VND Thêm vào giỏ hàng
Xuất hàng trong vòng 10 - 14 ngày làm việc NW-12-40-LLZ Moulded carriage, floating bearing z-direction 30 257.384 VND Thêm vào giỏ hàng
Xuất hàng trong vòng 10 - 14 ngày làm việc NW-12-40-LLYZ Moulded carriage, floating bearing y und z-direction 30 257.643 VND Thêm vào giỏ hàng
Xuất hàng trong vòng 10 - 14 ngày làm việc NW-12-27 Moulded carriage 12,5 156.566 VND Thêm vào giỏ hàng
Xuất hàng trong vòng 24 giờ NW-12-27-80 Carriage 25 299.794 VND Thêm vào giỏ hàng
Thêm về phần đã lựa chọn:
3D CAD 3D CAD
Yêu cầu hàng mẫu miễn phí Yêu cầu hàng mẫu miễn phí
PDF PDF
Yêu cầu báo giá Yêu cầu báo giá
myCatalog myCatalog

Version 12: Dimensions [mm] - guide carriages

Part. No. H A C C1 C2 A2 H2 K2 K3 K4 Spmin. DpØmin. Weight
  ±0,35                       [g/m]
Xuất hàng trong vòng 24 giờ NW-12-40 9,5 23 52 40 20 0 0 M4 5 6,5 30
Thời gian giao hàng khi yêu cầu NW-12-40-LLY 9,5 23 52 40 20 0 0 M4 5 6,5 30
Xuất hàng trong vòng 10 - 14 ngày làm việc NW-12-40-LLZ 9,5 23 52 40 20 0 0 M4 5 6,5 30
Xuất hàng trong vòng 10 - 14 ngày làm việc NW-12-40-LLYZ 9,5 23 52 40 20 0 0 M4 5 6,5 30
Xuất hàng trong vòng 10 - 14 ngày làm việc NW-12-27 9,5 14 34 30 20 0 0 M4 5 6,5 12,5
Xuất hàng trong vòng 24 giờ NW-12-27-80 0 14 80 76 60 0 1,5 M4 5 6,5 25
Thêm về phần đã lựa chọn:
3D CAD 3D CAD
Yêu cầu hàng mẫu miễn phí Yêu cầu hàng mẫu miễn phí
PDF PDF
Yêu cầu báo giá Yêu cầu báo giá
myCatalog myCatalog

Ordering of a complete system

Configuration in few steps:

1. Selection of the number of carriages
2. Selection of the type of carriagel
3. Entry of the rail length in mm
4. Selection of the carriage options
5.

Hint:

Detailed information can be found in the drawings and tables above, as well as in the below-mentioned pages. You can obtain precise specifications on the floating bearing options within the design rules.
1

no floating bearing

2

Floating bearing in z-direction

3

Floating bearing in y-direction

4

Floating bearing in yz-direction

drylin® NK – complete set

Step 1

Enter the required number of carriages.

technical drawing
No. of carriages:

Carriage length in version NW-12-40: 52 mm

A = M4 (max. press-fit 1,2 Nm)
B = Bores min.Ø 6,5
C = for machine screws M4, DIN 7984 / DIN 6912 / DIN 84, EN ISO 1707 / EN ISO 7045

Static load capacity and moments of inertia of an area

Optional:

End cap for rail,
Order no.  NSK-40

Xuất hàng trong vòng 24 giờ
Xuất hàng trong vòng 10 - 14 ngày làm việc
Thời gian giao hàng khi yêu cầu

Các thuật ngữ "Apiro", "AutoChain", "CFRIP", "chainflex", "chainge", "chains for cranes", "ConProtect", "cradle-chain", "CTD", "drygear", "drylin", "dryspin", "dry-tech", "dryway", "easy chain", "e-chain", "e-chain systems", "e-ketten", "e-kettensysteme", "e-loop", "energy chain", "energy chain systems", "enjoyneering", "e-skin", "e-spool", "fixflex", "flizz", "i.Cee", "ibow", "igear", "iglidur", "igubal", "igumid", "igus", "igus improves what moves", "igus:bike", "igusGO", "igutex", "iguverse", "iguversum", "kineKIT", "kopla", "manus", "motion plastics", "motion polymers", "motionary", "plastics for longer life", "print2mold", "Rawbot", "RBTX", "readycable", "readychain", "ReBeL", "ReCyycle", "reguse", "robolink", "Rohbot", "savfe", "speedigus", "superwise", "take the dryway", "tribofilament", "tribotape", "triflex", "twisterchain", "when it moves, igus improves", "xirodur", "xiros" and "yes" là nhãn hiệu được bảo hộ hợp pháp của igus® SE & Co. KG tại Cộng hoà Liên bang Đức và ở một số quốc gia khác. Đây là danh sách không đầy đủ các nhãn hiệu (ví dụ: đơn đăng ký nhãn hiệu đang chờ xử lý hoặc nhãn hiệu đã đăng ký) của igus® SE & Co. KG hoặc các công ty liên kết của igus® ở Đức, Liên minh Châu Âu, Hoa Kỳ và/hoặc các quốc gia hoặc khu vực pháp lý khác.

igus® SE & Co. KG xin nhấn mạnh rằng mình không bán bất cứ sản phẩm nào của các công ty Allen Bradley, B&R, Baumüller, Beckhoff, Lahr, Control Techniques, Danaher Motion, ELAU, FAGOR, FANUC, Festo, Heidenhain, Jetter, Lenze, LinMot, LTi DRiVES, Mitsubishi, NUM, Parker, Bosch Rexroth, SEW, Siemens, Stöber và mọi nhà chế tạo về chuyển động khác nêu trong trang web này. Các sản phẩm do igus® cung cấp là sản phẩm của igus® SE & Co. KG

CÔNG TY TNHH IGUS VIỆT NAM

Đơn Vị 4 , Tầng 3, Xưởng Tiêu Chuẩn G, Đường Số 17, KCX Tân Thuận, Phường Tân Thuận, Tp. Hồ Chí Minh, Việt Nam

Số điện thoại: +84 28 3636 4189

Giấy chứng nhận đăng ký doanh nghiệp số: 0314214531

Ngày đăng ký lần đầu: 20-01-2017

Nơi cấp: SỞ KẾ HOẠCH VÀ ÐẦU TƯ THÀNH PHỐ HỒ CHÍ MINH

IGUS VIETNAM COMPANY LIMITED

Unit 4, 3rd Floor, Standard Factory G, Street No. 17, Tan Thuan Export Processing Zone, Tan Thuan Ward, Ho Chi Minh City, Vietnam

Phone: +84 28 3636 4189

Tax code: 0314214531

Date of issuance: January 20, 2017

Place of issuance: DEPARTMENT OF PLANNING AND INVESTMENT OF HO CHI MINH CITY